Skip to content
Free Freight Shipping On All Orders | Industry Expert Support Available | Best Prices Online
Free Freight Shipping On All Orders | Industry Expert Support Available | Best Prices Online

36'' Box Dumper | 36''×36'' Chute | 2000 lb. Capacity | Valley Craft

Original price $9,799.00
Original price $9,799.00 - Original price $9,799.00
Original price $9,799.00
Current price $8,395.00
$8,395.00 - $8,395.00
Current price $8,395.00
SKU F80193A3

Call Us Now for the Lowest Prices (844) 799-2203

Free Shipping On All Orders. No Sales Tax (excludes NV).

Estimated Delivery

Please Allow 1-3 Business Days for Order Processing

Please Allow 5-10 Business Days for Delivery

ACH Payments

Want to save MORE on top your order? Send funds quickly and securely via ACH. Call us at (844) 799-2203 to set up today for additional discounts.

Valley Craft 36'' Box Dumper 36'' x 36'' Chute 2000 lb. Capacity F80193A3


Product Description

Valley Craft Box Dumper - 460V, 36 x 36" Chute, 36" Dump Height, 2000 lb. Capacity

Valley Craft’s Box Dumper (36 x 36” chute 2,000 lb. capacity 36” dump height) is the perfect solution to effortlessly dump material with improved efficiency while reducing employee fatigue or injury. This premium box bumper is designed to be compatible with a variety of gaylords, crates, tubs, cartons and other containers to fit your needs.

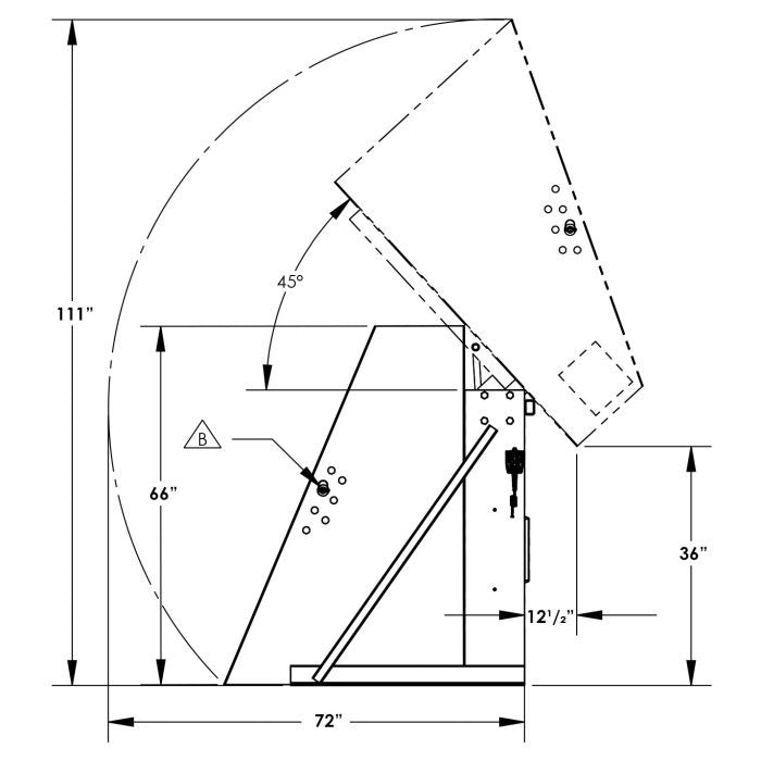
The chute is conveniently sized to accommodate containers up to 36”W x 36”D. A spring-loaded hold down bar is included to help keep containers secure, ranging from 30” to 56” in height (adjustable on 2” increments). Dump height is 36” with a large load capacity of 2,000 lbs. Side walls and body are constructed of heavy duty 7 gauge steel to withstand the most rigorous use.

Create added safety and stability by bolting your unit directly to the floor using the predrilled mounting holes. Simply operate the unit using the convenient hand-held corded (20' pigtailed) pendant with magnetic back (pendant holder included and can be easily installed on either side of unit). Pendant completes the powered dump cycle in less than 30 seconds and has a gravity return. Added safety decals along chute create additional awareness and protection for operators and bystanders. Stop and start your unit at any point during the entire dump process. The premium single flow hydraulic control valve system ensures a smooth operation every time while balancing the load and strain on the cylinders, adding longevity to your unit. Loading containers is simple to do manually or using a standard pallet jack. Unit operates using a 3 phase/60 hz/460V, 2HP motor. Standard rating: 12 DPH. Optional side guards are available (sold separately).

Valley Craft’s Box Dumpers reduce the need for manual bending and loading, and you can be confident they are built to last with a premium powder coat paint finish in green. All products are shipped fully assembled, ready-to-use, and are made in the U.S.A.

 

Features

  • Effortlessly dump material with improved efficiency and reduced fatigue or injury.
  • Ideal for use with a variety of gaylords, totes, crates, tubs, cartons, and other containers.
  • Reduce need for manual lifting, bending, and loading.
  • Chute size accommodates containers up to 36”W x 36”D.
  • Simply load containers by hand or using a standard pallet jack.
  • Spring-loaded hold down bar compatible with containers 30” to 56″ in height, adjustable on 2” increments.
  • Operate using convenient handheld pendant with magnetic back, controlling the 3 phase 60 hertz, 460 volt motor (2HP).
  • 30 second powered dump cycle, with gravity return.
  • Unit may be bolted to the floor for added safety and stability throughout operation.
  • Smooth operation utilizing single flow hydraulic control valve system.
  • Safely stop and start at any point during dump cycle.
  • Dump height of 36”.
  • 51″W x 50″D x 66″H.
  • 2,000 lb. capacity.
  • Heavy duty 7 gauge steel construction.
  • Premium powder coat paint finish in green.
  • Accessory options include: side guards (sold separately).
  • Ships fully assembled, ready to use.
  • Made in the U.S.A.

 

Specifications

Overall Dimensions L x W x H (in): 51 x 50 x 66
Product Weight (lb): 1,226
Load Capacity (lb): 2,000
Color: Green
Frame Height (in): 50
Chute Height (in): 66
Chute Size W x D (in): 36 x 36
Chute Reach (in): 12-1/2
Dump Height (in): 36
Overhead Clearance (in): 110
Horizontal Clearance (in): 71
Power Source: 3 Phase 60 hertz, 460 volt motor
Dump Angle (degrees): 45
Remote:
Wired hand pendant with magnetic back

 

Product Documents

Manuals

Shipping Policy

Free Shipping is provided for all products.  For freight orders, the delivery will be curbside. Additional services, such as lift gate or threshold delivery, are available for additional charges.  Please email us at support@primeindustrialusa.com after you place your order for upgraded shipping options.

Lead times will vary by product and manufacturer. We do our best to provide accurate and current lead times, however, these lead times are subject to change at any time. If an item is in stock, it will be shipped within 3 business days.

 

Order Shipment

Products usually ship out within 1-3 business days, depending on your items size. Due to the larger size of some our products, we do not offer express shipping options. We will send you tracking information within 24 hours of your order leaving the warehouse to the e-mail address you provided when checking out.  If you do not receive tracking information from us within three business days of your order, feel free to follow up with us at support@primeindustrialusa.com.

We ship only in the lower 48 states of the United States and cannot ship to Alaska, Hawaii, P.O. Boxes or military APO/FPO addresses at this time.

 

Estimated Time of Arrival

Once shipped, orders should arrive within 5-10 business days (does not include processing time or weekends).  If the expected delivery date for your order would fall outside of the advertised 5-10 business daytime frame, our customer service team will reach out to you to confirm if you are OKAY with that date.

 

Carriers

We work with several carriers to provide our customers with the most efficient, accurate and affordable shipping options. We use the following carriers to deliver our orders:

USPS

UPS

FedEx

And other LTL carriers

 

Order Tracking

If a tracking # is provided by the shipping carrier, we will update your order with the tracking information. Please note that some orders using 1st Class USPS mail will not have tracking numbers.

  

Damaged, Lost, or Stolen Orders

Please inspect and check the packaging of your item(s) when they arrive for delivery. If you notice significant damages (especially signs of forklift damage), refuse delivery and contact us immediately, within 24 hours. If there are some minor damages, make note of this on the delivery slip before signing for delivery. If you do not note damages on the delivery receipt or contact us within 24 hours after delivery, you are accepting the product condition as is and are not eligible for a return/refund/exchange. We cannot guarantee the manufacturer will cover any replacement parts for you if you do not contact us within 24 hours.

If your package arrives damaged, or if you are missing any items from your order, please call us immediately within 24 hours at (844) 799-2203. For your safety and records it is advisable to send us an email as a follow up to your call.  Your email should be sent from the email associated with your Prime Industrial USA online account.  We will take care of the problem as soon as possible. Please be sure to save your box and all packing materials in case an inspection or pickup is needed.

If the incorrect product arrives, or if the product you ordered is defective or damaged by the carrier, Prime Industrial USA will cover the return shipping costs to ensure you get a
replacement.

Returns

You can return unused or defective products up to 30 days from the order date. Some product returns may be subject to restocking fees (up to 25%).  Proof of Purchase will be required if we cannot verify your order information.  Unless the product is incorrect, defective, or damaged in transit, the customer is responsible for return shipment costs.

Return requests must be approved by our support team before initiating a return shipment.  Please email support@primeindustrialusa.com to get your return approved. This process allows us to provide instructions and a proper return address in order to avoid unnecessary fees.

 

Refunds

We will notify you once we’ve received and inspected your return to let you know if the refund was approved or not. If approved, you’ll be automatically refunded on your original payment method. Please remember it can take some time for your bank or credit card company to process and post the refund too.

If more than 10 business days have passed since we’ve approved your return, please contact us at support@primeindustrialusa.com

 

Defective or Damaged Products

All shipments received must be immediately inspected for damage.  If your order is shipped on a freight carrier, any damage needs to be noted on the Freight Receipt before signing for the delivery. If you notice significant damages (especially signs of forklift damage), refuse delivery and contact us immediately within 24 hours.  We highly recommend taking photos to document the damage seen at the time of delivery.

You are required to open all products within 24 hours of receipt to inspect for concealed damages as carriers tend to have strict policies with regard to damaged freight. It is crucial to notify us immediately and to submit any needed concealed damage freight claims and pictures showing
the undamaged packaging and the product within 24 hours.  

If you do not note damages on the delivery receipt or contact us within 24 hours after delivery, you are accepting the product condition as is and are not eligible for a return/refund/exchange.

For approved returns that are defective or damaged, an exchange or refund will be provided at no additional cost.  If damage is due to misuse or regular wear of the product, the return will be denied.

Cancellations 

We can cancel your order at absolutely no cost to you before the shipping label or Bill of Lading has been created, or before production of a custom order has started. Custom made items are not eligible for refunds after production has started.

 

Exchanges

If you need to exchange your product, you may request an exchange by emailing us at support@primeindustrialusa.com. You, as the customer, are responsible for any shipping costs throughout any returns and exchange processes., unless the exchange is due to defective or damaged during transit.

Chargebacks

Our team is here to assist you and resolve any issues. We have purposefully made our policies as transparent as possible. We are responsive and will do all that we can to help you out and provide the best resolution. Given this, any customer that files a fraudulent chargeback will be held criminally liable for theft. If you have not received a product or have an issue with a product that you did receive, please contact us, and we will help you resolve your issue. Please do not file chargebacks for issues that we can resolve together. Thank you for shopping with us.

✓ Lowest Price Guarantee & No Sales Tax (excludes NV) - We're committed to offering you the best prices possible, and with our lowest price guarantee, you can shop confidently knowing you're getting the best deal. Additionally, by excluding sales tax for most states, we aim to provide further savings for our customers.

✓ Fast & Free Shipping - Enjoy the convenience of swift delivery at no extra cost, ensuring you receive your purchase promptly and hassle-free.

✓ Installment Payment options available - We understand that flexibility is key, which is why we offer installment payment options to make your shopping experience more manageable, allowing you to enjoy your purchase without the immediate financial strain.

Customer Reviews

Be the first to write a review
0%
(0)
0%
(0)
0%
(0)
0%
(0)
0%
(0)
Name Your Own Price!
Name Your Own Price!
Name Your Own Price!