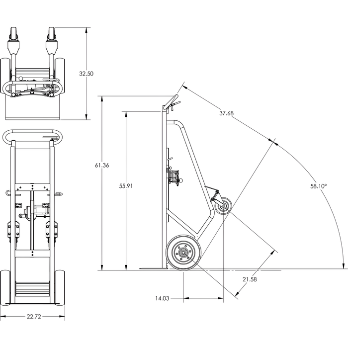
Valley Craft’s Spring-Loaded Extended Frame Commercial Hand Truck significantly improves the handling of casino slot machines and other tall or large similar sized items. This unit is full of premium features such as the frame suspension design. The frame-and-shoe assembly slides down as the truck is tilted back. This design helps operators easily break-over and tilt back heavy loads. It also improves the visibility and handling when maneuvering tall loads. A lock pin is included to lock this suspension feature, sometimes preferred or unnecessary to have suspension for certain smaller loads.
Constructed of premium aluminum with solid welds, this hand truck provides superior durability. Unit is lightweight, spark resistant, and has a capacity of 1,000 lbs. Easily maneuver the hand truck over uneven surfaces or around corners on (4) premium wheels, (2) 12” pneumatic front wheels and (2) 6” rubber rear swivel casters. Shoe platform is sized at 19 x 14”.
A 15’ retractable nylon strap is built in to help secure large and heavy loads. Simply disconnect using the quick release lever and retract the strap into the connected base to ensure it is out of the way when not in use. The included hand brake gives operators added control and safety while handling heavy loads or on uneven surfaces. This unit has an extended frame for taller items, and a deep frame design (with 4 wheels) that provides added protection for operators when tilting back heavy loads.
Valley Craft’s Spring-Loaded Frame Commercial Hand Trucks are built to withstand the most rigorous use and environments. Products are shipped fully assembled, ready-to-use, and are made in the U.S.A.
Features
Ideal for casino slot machines and other large items.
4-Wheel design for improved control, handling, and capacity.
Aluminum frame is lightweight for easy handling, and spark resistant.
19″W x 12″D steel shoe.
Frame suspension allows frame-and-shoe to slide down when truck is tilted back.
Extended frame for handling extra tall items.
Lowered frame/shoe improves operator’s visibility and handling with tall loads.
Shoe suspension makes tilting back heavy loads easy.
Lock pin included to lock suspension feature, if preferred for certain loads.
Free Shipping is provided for all products. For freight orders, the delivery will be curbside. Additional services, such as lift gate or threshold delivery, are available for additional charges. Please email us at support@primeindustrialusa.com after you place your order for upgraded shipping options.
Lead times will vary by product and manufacturer. We do our best to provide accurate and current lead times, however, these lead times are subject to change at any time. If an item is in stock, it will be shipped within 3 business days.
Order Shipment
Products usually ship out within 1-3 business days, depending on your items size. Due to the larger size of some our products, we do not offer express shipping options. We will send you tracking information within 24 hours of your order leaving the warehouse to the e-mail address you provided when checking out. If you do not receive tracking information from us within three business days of your order, feel free to follow up with us at support@primeindustrialusa.com.
We ship only in the lower 48 states of the United States and cannot ship to Alaska, Hawaii, P.O. Boxes or military APO/FPO addresses at this time.
Estimated Time of Arrival
Once shipped, orders should arrive within 5-10 business days (does not include processing time or weekends). If the expected delivery date for your order would fall outside of the advertised 5-10 business daytime frame, our customer service team will reach out to you to confirm if you are OKAY with that date.
Carriers
We work with several carriers to provide our customers with the most efficient, accurate and affordable shipping options. We use the following carriers to deliver our orders:
USPS
UPS
FedEx
And other LTL carriers
Order Tracking
If a tracking # is provided by the shipping carrier, we will update your order with the tracking information. Please note that some orders using 1st Class USPS mail will not have tracking numbers.
Damaged, Lost, or Stolen Orders
Please inspect and check the packaging of your item(s) when they arrive for delivery. If you notice significant damages (especially signs of forklift damage), refuse delivery and contact us immediately, within 24 hours. If there are some minor damages, make note of this on the delivery slip before signing for delivery. If you do not note damages on the delivery receipt or contact us within 24 hours after delivery, you are accepting the product condition as is and are not eligible for a return/refund/exchange. We cannot guarantee the manufacturer will cover any replacement parts for you if you do not contact us within 24 hours.
If your package arrives damaged, or if you are missing any items from your order, please call us immediately within 24 hours at (844) 799-2203. For your safety and records it is advisable to send us an email as a follow up to your call. Your email should be sent from the email associated with your Prime Industrial USA online account. We will take care of the problem as soon as possible. Please be sure to save your box and all packing materials in case an inspection or pickup is needed.
If the incorrect product arrives, or if the product you ordered is defective or damaged by the carrier, Prime Industrial USA will cover the return shipping costs to ensure you get a replacement.
Returns
You can return unused or defective products up to 30 days from the order date. Some product returns may be subject to restocking fees (up to 25%). Proof of Purchase will be required if we cannot verify your order information. Unless the product is incorrect, defective, or damaged in transit, the customer is responsible for return shipment costs.
Return requests must be approved by our support team before initiating a return shipment. Please email support@primeindustrialusa.com to get your return approved. This process allows us to provide instructions and a proper return address in order to avoid unnecessary fees.
Refunds
We will notify you once we’ve received and inspected your return to let you know if the refund was approved or not. If approved, you’ll be automatically refunded on your original payment method. Please remember it can take some time for your bank or credit card company to process and post the refund too.
If more than 10 business days have passed since we’ve approved your return, please contact us at support@primeindustrialusa.com
Defective or Damaged Products
All shipments received must be immediately inspected for damage. If your order is shipped on a freight carrier, any damage needs to be noted on the Freight Receipt before signing for the delivery. If you notice significant damages (especially signs of forklift damage), refuse delivery and contact us immediately within 24 hours. We highly recommend taking photos to document the damage seen at the time of delivery.
You are required to open all products within 24 hours of receipt to inspect for concealed damages as carriers tend to have strict policies with regard to damaged freight. It is crucial to notify us immediately and to submit any needed concealed damage freight claims and pictures showing the undamaged packaging and the product within 24 hours.
If you do not note damages on the delivery receipt or contact us within 24 hours after delivery, you are accepting the product condition as is and are not eligible for a return/refund/exchange.
For approved returns that are defective or damaged, an exchange or refund will be provided at no additional cost. If damage is due to misuse or regular wear of the product, the return will be denied.
Cancellations
We can cancel your order at absolutely no cost to you before the shipping label or Bill of Lading has been created, or before production of a custom order has started. Custom made items are not eligible for refunds after production has started.
Exchanges
If you need to exchange your product, you may request an exchange by emailing us at support@primeindustrialusa.com. You, as the customer, are responsible for any shipping costs throughout any returns and exchange processes., unless the exchange is due to defective or damaged during transit.
Chargebacks
Our team is here to assist you and resolve any issues. We have purposefully made our policies as transparent as possible. We are responsive and will do all that we can to help you out and provide the best resolution. Given this, any customer that files a fraudulent chargeback will be held criminally liable for theft. If you have not received a product or have an issue with a product that you did receive, please contact us, and we will help you resolve your issue. Please do not file chargebacks for issues that we can resolve together. Thank you for shopping with us.
✓ Lowest Price Guarantee & No Sales Tax (excludes NV) - We're committed to offering you the best prices possible, and with our lowest price guarantee, you can shop confidently knowing you're getting the best deal. Additionally, by excluding sales tax for most states, we aim to provide further savings for our customers.
✓ Fast & Free Shipping - Enjoy the convenience of swift delivery at no extra cost, ensuring you receive your purchase promptly and hassle-free.
✓ Installment Payment options available - We understand that flexibility is key, which is why we offer installment payment options to make your shopping experience more manageable, allowing you to enjoy your purchase without the immediate financial strain.