Skip to content
Free Freight Shipping On All Orders | Industry Expert Support Available | Best Prices Online
Free Freight Shipping On All Orders | Industry Expert Support Available | Best Prices Online

Drum Clamp & Tilt Powered Forklift Attachment | Valley Craft

Original price $7,999.00
Original price $7,999.00 - Original price $7,999.00
Original price $7,999.00
Current price $6,995.00
$6,995.00 - $6,995.00
Current price $6,995.00
SKU F89700

Call Us Now for the Lowest Prices (844) 799-2203

Free Shipping On All Orders. No Sales Tax (excludes NV).

Estimated Delivery

Please Allow 1-3 Business Days for Order Processing

Please Allow 5-10 Business Days for Delivery

ACH Payments

Want to save MORE on top your order? Send funds quickly and securely via ACH. Call us at (844) 799-2203 to set up today for additional discounts.

Valley Craft Drum Clamp & Tilt Powered Forklift Attachment F89700


Product Description

Valley Craft Drum Clamp & Tilt Powered Forklift Attachment, Versa Grip - Forklift Powered Clamp/120° Forward Tilt, 2000 lb. Capacity

Valley Craft’s Fully Powered Drum Forklift Attachment, Vera Grip, creates a quick, safe and ergonomically friendly means of handling drums by utilizing power. You can simply lift, forward tilt, dump, transport and store your drums with ease, without having to leave the seat of your forklift. Compatible with all drum styles (steel, plastic and fiber) with a diameter of 18-28” and a load capacity of 2,000 lbs., drum handling and maneuvering has never been easier.

Units have hydraulic actuated jaws and an adjustable pressure gauge to help ensure the appropriate amount of pressure is applied to secure your drum without damaging it. Variable speed control improves safety and ease of operation. The Versa Grip features a clamp & forward tilt, providing the added functionality of tilting drums forward up to 120° to assist in dumping or storage needs.

Self-Powered or Forklift powered units are available. Self-Powered units come with (2) 12V rechargeable batteries, a battery gauge, and a built-in charger (compatible with any standard outlet and extension cord). Self-powered units work for all environments and do not require a forklift powered connection. Forklift Powered units come with auxiliary lines and quick-connect couplers to easily connect to your forklift (requires available forklift auxiliary circuit). Forklift powered units operate using convenient forklift controls and have the ability to run continuously without the need to recharge.

Valley Craft’s Fully Powered Drum Forklift Attachment, Versa Grip, improves the safety and productivity of any facility that is maneuvering drums by eliminating the need for manual assistance. Constructed of heavy gauge steel with a premium powder coat paint finish in green, you can be confident these units are built to last. All products are shipped fully assembled, ready-to-use, and are made in the U.S.A.

 

Features

  • Quickly and ergonomically transport, tilt, dump and store drums without leaving the seat of your forklift.
  • Powered grip, release, and forward tilt (120°).
  • Forklift Powered, connect unit by attaching included quick-connect couplers to forklift auxiliary circuit.
  • Hydraulic actuated jaws, with adjustable pressure gauge.
  • Variable speed control.
  • Assists facilities with OSHA compliance and LEAN initiatives.
  • Compatible with steel/plastic/fiber drums, 30-85 gallons (18-28” in diameter).
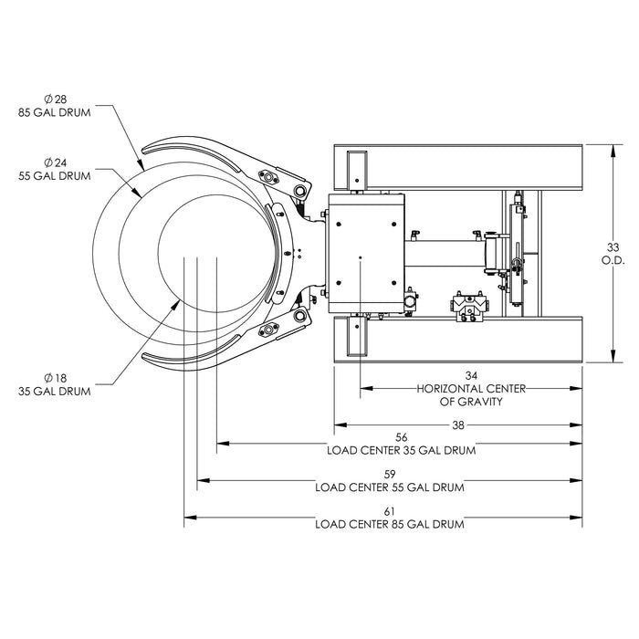
  • 67″L x 33″W x 19″H.
  • 2,000 lb. capacity.
  • Heavy gauge steel construction.
  • Premium powder coat paint finish in green.
  • Ships fully assembled, ready to use.
  • Made in the U.S.A.

 

Specifications

Overall Dimensions L x W x H (in): 67 x 33 x 19
Product Weight (lb): 572
Load Capacity (lb): 2,000
Color: Green
Drum Type: steel, plastic, fiber
Drum Diameter (in): 18 – 28
Drum Capacity (gal): 30/55/85
Function – Grip: Hydraulic Cylinder with Jaws
Function – Forward Tilt: Hydraulic Cylinder
Jaw Size W x H (in): 15 x 9
Power Source: Auxilary hydraulics on forklift
Dump Angle (degrees): 120
Fork Pocket Size L x W x H (in): 37-1/2 x 6-1/2 x 2-1/2
Fork Pocket Centers (in): 26

 

Product Documents

Manuals

Shipping Policy

Free Shipping is provided for all products.  For freight orders, the delivery will be curbside. Additional services, such as lift gate or threshold delivery, are available for additional charges.  Please email us at support@primeindustrialusa.com after you place your order for upgraded shipping options.

Lead times will vary by product and manufacturer. We do our best to provide accurate and current lead times, however, these lead times are subject to change at any time. If an item is in stock, it will be shipped within 3 business days.

 

Order Shipment

Products usually ship out within 1-3 business days, depending on your items size. Due to the larger size of some our products, we do not offer express shipping options. We will send you tracking information within 24 hours of your order leaving the warehouse to the e-mail address you provided when checking out.  If you do not receive tracking information from us within three business days of your order, feel free to follow up with us at support@primeindustrialusa.com.

We ship only in the lower 48 states of the United States and cannot ship to Alaska, Hawaii, P.O. Boxes or military APO/FPO addresses at this time.

 

Estimated Time of Arrival

Once shipped, orders should arrive within 5-10 business days (does not include processing time or weekends).  If the expected delivery date for your order would fall outside of the advertised 5-10 business daytime frame, our customer service team will reach out to you to confirm if you are OKAY with that date.

 

Carriers

We work with several carriers to provide our customers with the most efficient, accurate and affordable shipping options. We use the following carriers to deliver our orders:

USPS

UPS

FedEx

And other LTL carriers

 

Order Tracking

If a tracking # is provided by the shipping carrier, we will update your order with the tracking information. Please note that some orders using 1st Class USPS mail will not have tracking numbers.

  

Damaged, Lost, or Stolen Orders

Please inspect and check the packaging of your item(s) when they arrive for delivery. If you notice significant damages (especially signs of forklift damage), refuse delivery and contact us immediately, within 24 hours. If there are some minor damages, make note of this on the delivery slip before signing for delivery. If you do not note damages on the delivery receipt or contact us within 24 hours after delivery, you are accepting the product condition as is and are not eligible for a return/refund/exchange. We cannot guarantee the manufacturer will cover any replacement parts for you if you do not contact us within 24 hours.

If your package arrives damaged, or if you are missing any items from your order, please call us immediately within 24 hours at (844) 799-2203. For your safety and records it is advisable to send us an email as a follow up to your call.  Your email should be sent from the email associated with your Prime Industrial USA online account.  We will take care of the problem as soon as possible. Please be sure to save your box and all packing materials in case an inspection or pickup is needed.

If the incorrect product arrives, or if the product you ordered is defective or damaged by the carrier, Prime Industrial USA will cover the return shipping costs to ensure you get a
replacement.

Returns

You can return unused or defective products up to 30 days from the order date. Some product returns may be subject to restocking fees (up to 25%).  Proof of Purchase will be required if we cannot verify your order information.  Unless the product is incorrect, defective, or damaged in transit, the customer is responsible for return shipment costs.

Return requests must be approved by our support team before initiating a return shipment.  Please email support@primeindustrialusa.com to get your return approved. This process allows us to provide instructions and a proper return address in order to avoid unnecessary fees.

 

Refunds

We will notify you once we’ve received and inspected your return to let you know if the refund was approved or not. If approved, you’ll be automatically refunded on your original payment method. Please remember it can take some time for your bank or credit card company to process and post the refund too.

If more than 10 business days have passed since we’ve approved your return, please contact us at support@primeindustrialusa.com

 

Defective or Damaged Products

All shipments received must be immediately inspected for damage.  If your order is shipped on a freight carrier, any damage needs to be noted on the Freight Receipt before signing for the delivery. If you notice significant damages (especially signs of forklift damage), refuse delivery and contact us immediately within 24 hours.  We highly recommend taking photos to document the damage seen at the time of delivery.

You are required to open all products within 24 hours of receipt to inspect for concealed damages as carriers tend to have strict policies with regard to damaged freight. It is crucial to notify us immediately and to submit any needed concealed damage freight claims and pictures showing
the undamaged packaging and the product within 24 hours.  

If you do not note damages on the delivery receipt or contact us within 24 hours after delivery, you are accepting the product condition as is and are not eligible for a return/refund/exchange.

For approved returns that are defective or damaged, an exchange or refund will be provided at no additional cost.  If damage is due to misuse or regular wear of the product, the return will be denied.

Cancellations 

We can cancel your order at absolutely no cost to you before the shipping label or Bill of Lading has been created, or before production of a custom order has started. Custom made items are not eligible for refunds after production has started.

 

Exchanges

If you need to exchange your product, you may request an exchange by emailing us at support@primeindustrialusa.com. You, as the customer, are responsible for any shipping costs throughout any returns and exchange processes., unless the exchange is due to defective or damaged during transit.

Chargebacks

Our team is here to assist you and resolve any issues. We have purposefully made our policies as transparent as possible. We are responsive and will do all that we can to help you out and provide the best resolution. Given this, any customer that files a fraudulent chargeback will be held criminally liable for theft. If you have not received a product or have an issue with a product that you did receive, please contact us, and we will help you resolve your issue. Please do not file chargebacks for issues that we can resolve together. Thank you for shopping with us.

✓ Lowest Price Guarantee & No Sales Tax (excludes NV) - We're committed to offering you the best prices possible, and with our lowest price guarantee, you can shop confidently knowing you're getting the best deal. Additionally, by excluding sales tax for most states, we aim to provide further savings for our customers.

✓ Fast & Free Shipping - Enjoy the convenience of swift delivery at no extra cost, ensuring you receive your purchase promptly and hassle-free.

✓ Installment Payment options available - We understand that flexibility is key, which is why we offer installment payment options to make your shopping experience more manageable, allowing you to enjoy your purchase without the immediate financial strain.

Customer Reviews

Be the first to write a review
0%
(0)
0%
(0)
0%
(0)
0%
(0)
0%
(0)
Name Your Own Price!
Name Your Own Price!
Name Your Own Price!